技術新聞更多>>
聯系方式
FAG 2319K.M.C3軸承
- 型號:
- 2319K.M.C3
- 品牌:
- FAG軸承
- 系列:
- 調心球軸承
- 內徑d:
- 95 mm
- 外徑D:
- 200 mm
- 厚度B:
- 67 mm

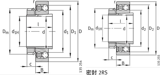
FAG 2319K.M.C3軸承參數
| 所屬品牌 (Brand) |
德國FAG軸承 | |
| 軸承類型 (Series) |
調心球軸承 | |
| 軸承型號 (Bearing NO) |
型號 | 2319K.M.C3 |
| 新型號 | 2319-K-M-C3 | |
| 舊型號 | 2319K.M.C3 | |
| 基本尺寸 (Basic size) 單位:mm |
d(內徑) | 95 |
| D(外徑) | 200 | |
| B(厚度或高度) | 67 | |
| d1H | 85 | |
| d1 | 121.6 | |
| d2 | — | |
| D1 | 168.5 | |
| D2 | — | |
| Dm | 133 | |
| l | 90 | |
| C | 19 | |
| C1 | – | |
| r(min) | 3 | |
| 額定負荷 (Basic load ratings) 單位:N(牛) |
基本額定動載荷,徑向(Cr) | 167000 |
| 基本額定靜載荷,徑向(Cor) | 63000 | |
| 緊定套型號 | H2319 | |
| 重量(Mass) | 9.97 kg | |
| 詳細信息(Detail) | 調心球軸承,開式帶緊定套 | |
FAG調心球軸承2319K.M.C3軸承我司目前有部分庫存,您可致電我司咨詢銷售人員關于軸承2319K.M.C3的圖紙、軸承2319K.M.C3價格或同型號其他品牌替換等資料!我司與FAG廠家常年批量訂購2319K.M.C3調心球軸承,以保證2319K.M.C3軸承質量正宗,價格最優(yōu)。訂購原裝FAG 2319K.M.C3軸承請撥打:0532-83735255、13061287818
熱銷軸承型號:上一篇:FAG 2319M軸承 NSK 6014N軸承 NACHI深溝球軸承51101G NSK HR32320J軸承 NSK 40BNR10XTDUELP4高轉速 精密 SKF 23132-2CS軸承 SKF 22212CC/W33軸承 KOYO R18/17軸承 TIMKEN HM807046/HM807010-B軸承 FAG推力角接觸球軸承 7603040-TV 下一篇:FAG 2320M軸承
熱銷軸承型號:上一篇:FAG 2319M軸承 NSK 6014N軸承 NACHI深溝球軸承51101G NSK HR32320J軸承 NSK 40BNR10XTDUELP4高轉速 精密 SKF 23132-2CS軸承 SKF 22212CC/W33軸承 KOYO R18/17軸承 TIMKEN HM807046/HM807010-B軸承 FAG推力角接觸球軸承 7603040-TV 下一篇:FAG 2320M軸承
FAG 2319K.M.C3軸承軸承圖紙

熱門型號
- FAG HCB7009E.T.P4S軸承
- NTN 23972軸承
- TIMKEN JM205149AS/JM205110軸承
- NTN KMJ18×24×17S軸承
- KOYO 3479/3420軸承
- KOYO MKM3520軸承
- KOYO 7326CDT軸承
- NTN 7911CDB軸承
- EZO 英制球軸承 SR156ZZ DDRI-56
- INA G5x10x2 G6x10x2 G6x12x2 G7
- INA GY1106KRRB GYE35KRRB GY110
- SKF BS2-2222-2CSK軸承
- NACHI JH211749E/JH211710E軸承
- SKF 51412軸承
- NACHI N207軸承
- NTN 5S-HSB920C軸承
- KOYO ML3006軸承
- TIMKEN NCF1852V軸承
- SKF RPNA15/28軸承
- INA G1010KRRBW軸承








